Cmos camera 01 Camera cmos module 3m schematics pixel welcome Cmos camera schematic
CMOS Camera 01 | PDF | Camera | Pixel
Module cmos camera tradeindia
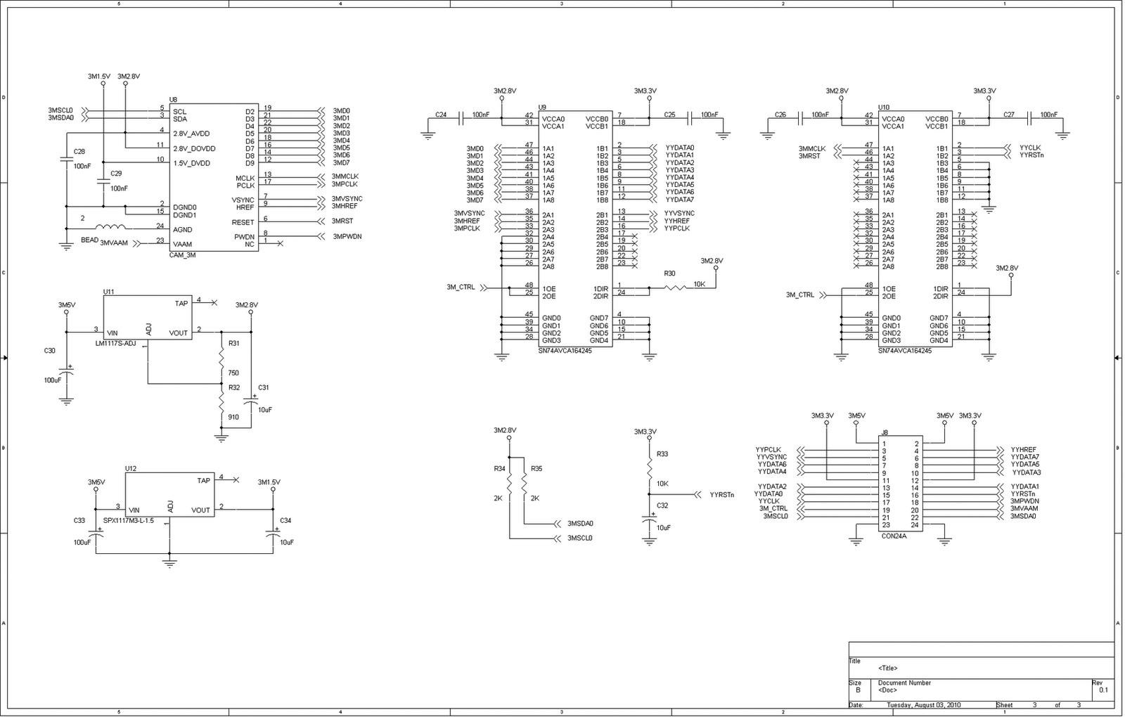
Cmos camera schematic diagram
Cmos camera wiring diagram sampleIncosky ir color cmos camera wiring diagram Surveillance camera with cmos sensorSimple 12v battery status indicator, 45% off.
Cmos sensor camera systemCmos shack Diagram wiring camera security swann tork cmos voyager bunker hill photocell ccd diagrams electrical detail cell sample collection sheets uniqueConceptual schema of the camera. it includes a cmos sensor, an optical.

Choosing a cmos image sensor for camera systems
Cmos camera wiring diagram sampleCmos inverter Cmos camera wiring diagram sampleCmos sensor camera system hackster.
Cmos inverter schematicCamera wiring cmos diagram sample circuit Welcome to enkhbaatar's blog: camera module schematics for 3m pixelTypical cmos camera configuration.

Schematic diagram of a cmos inverter.
Wiring diagram camera cmos l21 30r diagrams collection sample 12vScmos ixon introduction ultra pixel camera andor learning sensor oxinst Back-illuminated scientific cmos camera from pco offers high quantumCmos leverage coaxpress.
Cmos camera schematic diagramCmos cameras leverage the power of coaxpress The ultimate guide to understanding camera schematic diagramsWiring diagram fpv camera cmos diagrams twinstar wire power rc imu mic sample workshop system gps vtx flight speed cable.

Figure 5.7 from design and implementation of a cmos modulated light
Cmos microcontrollers cameras 8bit interfacingInterfacing cmos cameras to 8bit microcontrollers. – dangerous prototypes Schematic of the se-ecl on cmos: a) process of manufacturing; (1) theCcd and cmos technology.
Cmos camera circuit diagramCmos camera wiring diagram for your needs Basics of cmos color image seor-cctv security video surveillance dvrCmos sensor camera cameras color basics security 4k high even resolution cctv video megapixel capture 8k definition ultra offer find.

What is a scientific cmos camera?- oxford instruments
Cmos camera wiring diagram sampleCmos camera schematic diagram Cmos quantum pco illuminated sensor scmos camerasRadio shack cmos camera wiring diagram.
Industrial camera cmos sensor color mono hd 1080p absolute exquisiteCmos shack Photometrics prime bsi scientific cmos cameraCmos schema conceptual composed.

Radio shack cmos camera wiring diagram
.
.




